浙江质能电气有限公司
ZHEJIANG ZENL ELECTRIC
首页
关于我们
- 公司介绍
- 企业文化
- 项目工程
产品中心
- 智能照明系统
- 电涌防雷系列
- 双电源控制开关隔离系列
- 电气防火限流保护器系列
- 仪表电器系列
项目工程
- 工程案例
联系我们
- 联系方式
- 地图导航
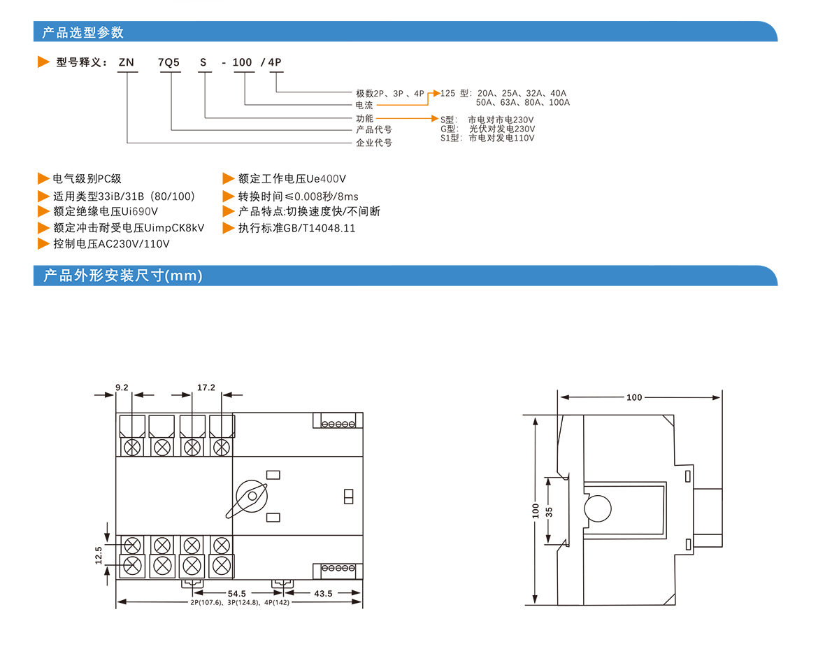
双电源控制开关隔离系列
ZN7Q5系-快速型0.008秒切换双电源自动转换开关